ptzh-CNhrcsnlenfifrdeelhuisitjakonoessv

Onde estamos?

Setúbal | Portugal

O nosso horário

8h30 ~ 18h30 - 2ª a 6ª

O nosso email

comercial@formast.com

Noticias

Amplificador de Sinal Pepperl & Fuchs

Amplificador de Sinal Pepperl & Fuchs

Imprimir E-mail
(0 votos)

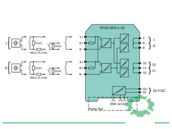
Apresentamos o Amplificador de Sinal Pepperl & Fuchs.

Com aplicação na área da Automação e Controlo, apresentamos o Amplificador de Sinal KFD2-SR2-2.2S da marca Pepperl & Fuchs, em concreto um módulo com isolamento galvânico, uma solução de grande qualidade e fiabilidade.

Algumas características técnicas:

  • Condicionador de sinal de 2 canais
  • Fonte de 24 V DC (trilho de alimentação)
  • Contato seco ou entradas NAMUR
  • Utilizável como divisor de sinal (1 entrada e 2 saídas)
  • 2 x 2 saídas de contato de relé com lógica AND
  • Deteção de falha de linha (LFD)
  • Modo reversível de operação
  • Até SIL 2 acc. para IEC 61508 / IEC 61511

 

 


logo formast

Somos uma empresa de Serviços de Gestão, Assistência Técnica e Manutenção de Instalações, especialistas no fornecimento de soluções integradas.

Contactos

(*) Chamadas para a rede fixa nacional

 

Copyright © Formast. Todos os direitos reservados.

Gestão de Conteúdos   Hobbyholo